Skip to content
DR Mower will be closed for in store purchases, customer pick up, phones & chats Dec 22nd at 1:30PM MST. You can still reach us by email at parts@drmower.ca. In stock orders placed after 12PM MST Monday Dec 22nd will be shipped Dec 29th - Dec 30th. We will be back to regular hours Jan 5th. Thank you & Happy Holidays!
DR Mower will be closed for in store purchases, customer pick up, phones & chats Dec 22nd at 1:30PM MST. You can still reach us by email at parts@drmower.ca. In stock orders placed after 12PM MST Monday Dec 22nd will be shipped Dec 29th - Dec 30th. We will be back to regular hours Jan 5th. Thank you & Happy Holidays!

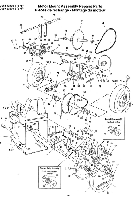
Craftsman Snowblower Parts List for Models C950-52504-6 C950-52508-6

SKU
Original price $0.00 - Original price $0.00
Original price
$0.00
$0.00 - $0.00
Current price $0.00

Craftsman Snowblower Parts List for Models C950-52504-6 C950-52508-6

Free download.
We carry parts for this snowblower and parts for the engine. If you can't find the parts you need in our online store, please contact us for assistance: parts@drmower.ca 1-877-531-2873.

C950.52504.6  950 52504 6  525046  C950.52508.6  950 52508 6  525086

Standard shipping

Estimated delivery time: 7-10 days

Specifications

Find high-quality small engine, tractor, golf cart, turf care, pressure washer & snowblower parts for reliable performance.

Request a quote
×
×

View full product info