Skip to content
DR Mower will be closed for in store purchases, customer pick up, phones & chats Dec 22nd at 1:30PM MST. You can still reach us by email at parts@drmower.ca. In stock orders placed after 12PM MST Monday Dec 22nd will be shipped Dec 29th - Dec 30th. We will be back to regular hours Jan 5th. Thank you & Happy Holidays!
DR Mower will be closed for in store purchases, customer pick up, phones & chats Dec 22nd at 1:30PM MST. You can still reach us by email at parts@drmower.ca. In stock orders placed after 12PM MST Monday Dec 22nd will be shipped Dec 29th - Dec 30th. We will be back to regular hours Jan 5th. Thank you & Happy Holidays!

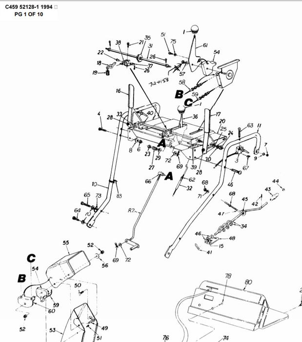
C459-52128-1 Parts List for Craftsman Track Snowblower 1994

SKU
Original price $0.00 - Original price $0.00
Original price
$0.00
$0.00 - $0.00
Current price $0.00

C459-52128-1 Parts List for Craftsman Track Snowblower 1994

Please note we do not have an owner's manual for this unit and there are different parts lists for 1992, 1993, and 1994.

We carry parts for this unit and parts for the engine.  If you can't find the parts you need in our online store, please contact us for assistance: parts@drmower.ca 1-877-531-2873

C45952128, C459.52128, C459 52128, C459.52128-1

 

 

Standard shipping

Estimated delivery time: 7-10 days

Specifications

Find high-quality small engine, tractor, golf cart, turf care, pressure washer & snowblower parts for reliable performance.

Request a quote
×
×

View full product info